DIY 기술지원

도어크로져 설치법(2)호텔, 사무실 방화문에 설치하는 방법
2001-08-13|조회수: 12704|작성: 77g
이런 재료를 준비하세요
관련 기술지원
아파트문을 자동으로 닫아주는 도어크로져 설치법(동영상)2002-01-04
도어크로져 설치법(1)아파트 방화문에 설치하는 방법2001-08-13
문을 자동으로 닫아주는 도어클로져 선택법및 도어크로져 규격2001-08-12
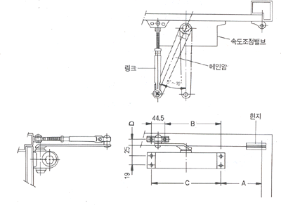
호텔이나 사무실에 설치하는 방법..
표준형 설치라고 합니다. 즉, 도어클로져가 당기는쪽에 문내부에 있고, 문은 당겨서 여는 문을 의미 합니다.

설치법
- 속도조절밸브의 방향은 문의 힌지쪽을 향하게 합니다.
- 브라켓은 힌지 반대 방향으로 치우치게 합니다..
- 메인암은 문과수직으로 조립한후 약 5도 당겨서 도어락의 랏치를 당길수 있게 합니다.

- 메인암의 각도를 당길수록 3차 속도 범위가 좁아집니다.
- 위 도면의 A,B,C,D 의 위치 설정은 아래의 도표를 참고하세요.. 이 위치 설정법을 몰라 설치시 가장 어려움을 겪었을 것입니다..
모델번호 A(mm) B(mm) C(mm) D(mm) 620/720 62 182 188 35 820 62 160 208 35 630/730 62 140 188 35 830 62 160 208 35 640/740 85 137 188 35 840 85 137 188 35 850 85 137 208 35
주의점
- 표준형 설치시에는 메인암을 수평으로 조립해서는 안됩니다.
- 메인암을 너무당기면 2~3차 속도가 없어 지므로 주의해야 합니다.

도어클로져 고정법
- 도어클로져 제품내에는 나사못이 포함되어 있습니다만, 철판을 직접 뚫을수 있는 직결나사는 아닙니다.
- 신규 설치시에는 아래의 직결나사를 교체시에는 내장된 나사못을 이용하시면 됩니다.
- 나사못을 박는 방법은 아래 링크를 참고하세요.
드라이버나 드라이버비트를 오래사용하는법(나사못박을때 주의점)
Do It Yourself!!
철천지-최초 인터넷 철물점
철천지-최초 인터넷 철물점

